


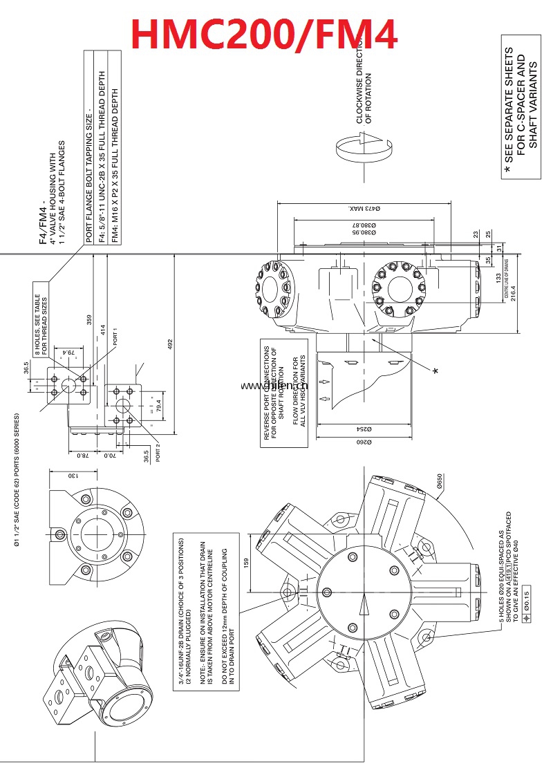
Kawasaki “Staffa” high torque, low speed radial piston motors use hydrostatic balancing techniques to
achieve high efficiency, combined with good breakout torque and smooth running capability.
The HMC series dual displacement models have two pre-set displacements which can be chosen from a
wide range to suit specific application requirements. The displacements are hydraulically selected by a
directional control valve which can be remote mounted or directly on the motor. Motor displacement can
be changed with ease when the motor is running.
These motors are also available in a continuously variable version using either hydro-mechanical or
electro-hydraulic control methods.
Kawasaki “Staffa” high torque, low speed radial piston motors use hydrostatic balancing techniques to
achieve high efficiency, combined with good breakout torque and smooth running capability.
The HMC series dual displacement models have two pre-set displacements which can be chosen from a
wide range to suit specific application requirements. The displacements are hydraulically selected by a
directional control valve which can be remote mounted or directly on the motor. Motor displacement can
be changed with ease when the motor is running.
These motors are also available in a continuously variable version using either hydro-mechanical or
electro-hydraulic control methods.
| 序号 | Description | Type |
| 1 | Hyd. Motor | HMB030 |
| 2 | Hyd. Motor | HMB080 |
| 3 | Hyd. Motor | HMB100 |
| 4 | Hyd. Motor | HMB200/S3/FM4/70 |
| 5 | Hyd. Motor | HMB200/S4/SO4/70 |
| 6 | Hyd. Motor | HMB270/S3/FM4/70 |
| 7 | Hyd. Motor | HMB325/S3/FM4/70 |
| 8 | Hyd. Motor | HMC080/S/90/60/FM3/C/70 |
| 9 | Hyd. Motor | HMC125/S/125/40/FM3/CS/73 |
| 10 | Hyd. Motor | HMC200/S/188/60/FM4/CS/71 |
| 11 | Hyd. Motor | HMC270/S/280/80/FM4/CS/30 |
| 12 | Hyd. Motor | HMJC125/S/125/40/W1/70 |
| 13 | Hyd. Motor | HMKC200/T3/188/60W1 |





Guangzhou Hailian Hydraulic Equipment Co., Ltd
Tel:+86-020-32012042
Phone:+86-13822275431
Email:info@hilen-hyd.com
Add:Zhengcheng district,guangzhou,Guangdong,China.